De Hinowa 14.70IIIS is onze meest compacte hoogwerker. Doordat deze ingepakt maar goed twee meter hoog en 78 centimeter breed is, kan deze door de meeste deuren! De tweepersoons korf is snel afneembaar waardoor het geheel nòg compacter wordt. Deze hoogwerker is ideaal voor reinigingswerkzaamheden, schilderwerk, renovatiewerk, klein snoeiwerk, etc. etc. De hoogwerker beschikt over een afstandsbediening waarmee kan worden gereden. Hiermee kan tevens automatisch worden gestempeld.

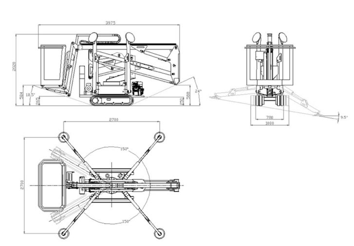
minimale transportbreedte 78 cm
hoogte 202 cm
lengte transport 397,5 cm
gewicht 1700 kg
stempelbasis: 3 x 3 meter

werkdiagram
Werk rustig en beheerst, op de benzinemotor, of aan een gewoon verlengsnoer op 220 Volt. De bediening is eenvoudig en de hoogwerker draait rustig, op drie instelbare snelheden. Een kind kan de was doen!






